首页
公司简介
新闻中心
产品中心
产品分类
销售网络
企业文化
人才招聘
联系我们
产品分类
冷却器系列
冷油器
油冷却器
空气冷却器
板式冷却器
管式冷却器
蒸发器冷凝器系列
散热器系列
辅助加热器系列
换热器系列
联系我们
地 址:江苏省姜堰市娄庄镇工业园区
邮 编:225500
电 话:0523-88691721
传 真:0523-88690601
联系人:黄一明
手 机:13952680087
网 址:www.jsmwjx.com
邮 箱:mw@jsmwjx.com
首页
>
散热器系列
>
UII型散热器
产品名称:
UII型散热器
产品描述:
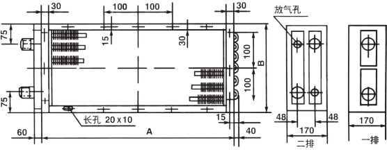
U型是一种既适用于蒸汽加热系统,又适用于热水加热系统的散热排管,其进出水接头都在同一侧进出水排管是用U型弯头连接,这样,适应了安装上的某些特殊要求,即散热排管的一端需要靠墙或者其他障碍物等。
在线询盘
UII型散热器
产品详情:
UII型
散热排管
(基本参数)
上一条:
GLⅡ型散热排管
下一条:
换热器
来源:本站 时间:2019-08-19 09:55:42
浏览更多
UII型散热器
的内容
【其它产品】
UII型散热器
FUL型散热器
TLS型散热器
SRZ型散热器
【其它新闻】
板式冷却器
油冷却器
空气冷却器
管式冷却器
冷油器
© 版权所有 泰州市明炜机械有限公司
Sitemap
易普网络
苏ICP备12005594号
友情链接: