一、BR0.12板式冷却器技术参数:
型号Model BR0.12
单片有效面积Active Area Per Plate 0.12㎡,
板片波纹深度Nominal plate gap 2.8mm
板片厚度Thi ckne ss 0.5mm
板片角孔尺寸Port dim 50mm
最大流量Max flow rate 51m³/H
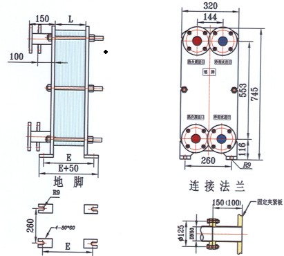
接管口径Connection diameter DN50
工作压力Working pressure 0.6MPa、1.OMPa、1.6MPa
二、BR0.12板式冷却器设备外形尺寸:

型 号 | 换热面积 area(m2) | 板片数 number of plates | L | E | 重 量 Fweight(Kg) | 流 量 Flow rate(m3/H) |
| BR0.12-A | 3 | 25 | 83 | 193 | 137 | 10 |
| BR0.12-C | 15 | 125 | 413 | 523 | 213 | 51 |
◆A为最小组装面积,C为最大组装面积。
◆压紧尺寸L(mm):L=(4.3±0.2) x 板片数
◆水流量是按单流程、板问流速为0.4m/s时计算的
◆保留数据更改的权利,以上数据仅供参考,具体以实物为准
浏览更多 板式冷却器 的内容