产品名称:TYR系列辅助加热器TYR系列辅助加热器产品介绍:
TYR系列辅助加热器由不锈钢加热元件及钢管(碳钢或不锈钢)组成,并配备了温度控制装置,可做为空调机组水系统的补充加热,宾馆的热水供应系统及其他需要加热的场合使用,主要型式有立式和卧式两种,特殊规格可按客户要求设计制作。
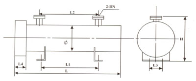
TYR系列辅助加热器结构示意图:

TYR系列辅助加热器参数列表:
| 型号 | 功率(KW) | 电压(V) | Ø | L | Ll | L2 | L3 | L4 | H | DN | 备注 |
| TYR-2.5 | 2.5 | 220 | 108 | 700 | 430 | 460 | 150 | 120 | 200 | l" | |
| TYR-3 | 3 | 380 | 108 | 500 | 310 | 280 | 120 | 100 | 220 | l" | |
| TYR-5 | 5 | 380 | 108 | 700 | 430 | 460 | 150 | 120 | 200 | l½" | |
| TYR-10 | 10 | 380 | 159 | 900 | 435 | 600 | 150 | 120 | 265 | 50 | |
| TYR-12 | 12 | 380 | 245 | 770 | 500 | 420 | 160 | 150 | 420 | 50 | |
| TYR-12 | 12 | 380 | 159 | 900 | 435 | 600 | 150 | 120 | 265 | 50 | |
| TYR-14 | 1 | 380 | 159 | 900 | 435 | 600 | 150 | 120 | 265 | 50 | |
| TYR-15 | 15 | 380 | 159 | 740 | 435 | 460 | 150 | 120 | 220 | 65 | |
| TYR-18 | 18 | 380 | 159 | 900 | 435 | 600 | 150 | 120 | 265 | 65 | |
| TYR-20 | 20 | 380 | 159 | 900 | 435 | 600 | 150 | 120 | 265 | 65 | |
| TYR-24 | 24 | 380 | 159 | 900 | 435 | 600 | 150 | 120 | 265 | 65 | |
| TYR-25 | 25 | 380 | 159 | 1250 | 836 | 820 | 160 | 120 | 500 | 80 | |
| TYR-25 | 25 | 380 | 245 | 1000 | 636 | 620 | 160 | 150 | 500 | 80 | |
| TYR-27 | 27 | 380 | 159 | 1200 | 836 | 820 | 160 | 120 | 500 | 80 | |
| TYR-30 | 30 | 380 | 245 | 1000 | 636 | 620 | 160 | 150 | 500 | 80 | |
| TYR-32 | 32 | 380 | 245 | 1000 | 636 | 620 | 160 | 150 | 500 | 80 | |
| TYR-36 | 36 | 380 | 245 | lOOO | 636 | 620 | 160 | 150 | 500 | 125 | |
| TYR-50 | 50 | 380 | 245 | 1200 | 820 | 820 | 160 | 150 | 500 | 100 | |
| TYR-70 | 70 | 380 | 245 | 1600 | 1200 | 1200 | 160 | 150 | 500 | 125 | |
| TYR-90 | 90 | 380 | 245 | 2000 | 1650 | 1650 | 160 | 150 | 500 | 125 | |
| TYR—100 | 100 | 380 | 245 | 2000 | 1600 | 1600 | 160 | 150 | 500 | 125 | |
| TYR-120 | 120 | 380 | 480 | 1250 | 836 | 820 | 380 | 200 | 640 | 150 | |
| TYR-150 | 150 | 380 | 480 | 1350 | 945 | 945 | 380 | 200 | 640 | 125 | |
| TYR-200 | 380 | 380 | 480 | 1745 | 1300 | 1300 | 380 | 200 | 640 | 150 |
浏览更多 TYR系列辅助加热器 的内容